OmniCore E10控制柜的安全回路的接线方式,跟IRC5的控制柜不同,不过也有自动停止,常规停止和紧急停止。
下图显示安全回路接线端子插排的位置及接口说明:

安全回路接口主要分四部分:MON, AS/GS, ES, ESOUT
MON电机开启按钮:
尽管“电机开启”功能可以在示教器上使用,但该连接器中仍提供可选“电机开启”按钮和指示灯接口,两者的接头上均有 2 个插针。
电机开启按钮接线范例:

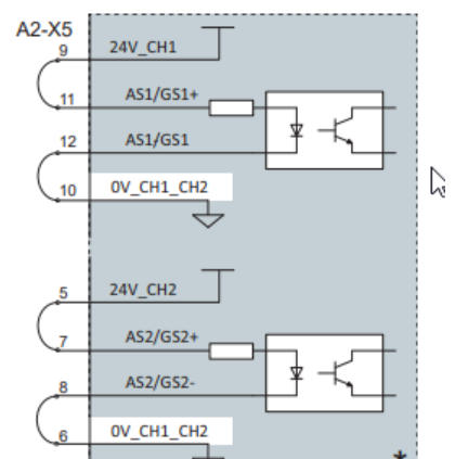
AS/GS 自动停止/常规停止:
控制器出厂时默认配置为自动停止/通用停止电路断开。控制器无法工作。

AS/GS 要在没有任何附加/外部安全设备的情况下启用控制器,请按下图所示连接安全电路。



